Generator Manual Transfer Switch Wiring Diagram / Reliance Controls 50 Amp 10 Circuit Manual Transfer Switch A510c The Home Depot : Avoid contact with bare wires, terminals.. The following diagram shows how a 3 phase grid to generator changeover can be implemented using a couple of 3 phase contactors. Suitable for residential and light commercial applications, they are a simple way to provide owners with a high level of safety and. According to the wiring diagram (see figure 1). How to wire automatic & manual changeover & transfer switch? The whole point of this is safety and lazy.

Avoid contact with bare wires, terminals. Helping a friend so that she don't loose power for 3 days again. Transfer switches come in two configurations, manual and automatic, and both have their pros and cons. A manual transfer switch would be a better option imo. A manual transfer switch is installed next to the main service panel to override the normal electrical service with backup generators supply power to a manual transfer switch, which disconnects the house from the main service you are correct that the diagrams shown are inconsistent, and should.

10a 630a Electrical Panel Transfer Switch Wiring Diagram Automatic Transfer Switch Panel
10a 630a Electrical Panel Transfer Switch Wiring Diagram Automatic Transfer Switch Panel from www.ats-transferswitch.com
Mount the manual transfer switch near the main electric panel. Related searches for generator automatic transfer switch wiring diagram: Operation the transfer switch is situated between a generator or shore and inverter. The ats, which is a switchgear control system, provides a functional system that provides. > manual operation manual operating handles transfer switch specification sheets, drawings, wiring diagrams and other technical information are. Suitable for residential and light commercial applications, they are a simple way to provide owners with a high level of safety and. Connection through the power or control wiring. Manual generator transfer switch install.

According to the wiring diagram (see figure 1).

Parts needed to wire a transfer switch. With your eaton generator and eaton automatic transfer switch application. Avoid contact with bare wires, terminals. Guardian generator transfer switch wiring diagram schematic library. Street light wiring diagram wiring diagram nintendo switch there are 5 suppliers who sells generator automatic transfer switch wiring diagram on alibaba.com, mainly located in asia. Electrical manual changeover switch wiring diagram for portable note this post is only about handle type manual changeover switch wiring diagram , however the in the diagram i shown handle type manual changeover switch. Transfer switches connect the generator to the transfer switch using a gen cord. Suitable for residential and light commercial applications, they are a simple way to provide owners with a high level of safety and. 1 installation and operating instructions manual transfer switch models 6294 6408 and 6376 warning. Select up to 10 circuits to be powered by the generator (240 volt circuits require two spots on ensure the generator has unleaded fuel and oil inside, then start the generator. The top countries of supplier. I would of liked if one of them a stripe to indicate the differences rather than a tag. The third drawing is a simplified wiring diagram of how things go together.

Connect the utility source to the lugs on the normal source disconnect circuit breakers as shown in the service entrance switch wiring diagram in section 6. Parts needed to wire a transfer switch. Follow these steps for how to install a transfer switch. I would of liked if one of them a stripe to indicate the differences rather than a tag. Operation the transfer switch is situated between a generator or shore and inverter.

Diagram Auto Off Manual Switch Diagram Full Version Hd Quality Switch Diagram Conceptwiring Abretti It
Diagram Auto Off Manual Switch Diagram Full Version Hd Quality Switch Diagram Conceptwiring Abretti It from wholefoodsonabudget.com
Does anyone have or know where i can get a wiring diagram for tieing in a standby generator into a house circuit? The fourth drawing is the final product of what mine looks like. I chose ez switch since it was relatively easy to install, designed to switch the neutral there are 2 white wire utilized. Operation the transfer switch is situated between a generator or shore and inverter. A transfer switch lets you use your home's wiring system to power any appliance in your home with your generator quickly manual switches are typically less expensive because of lower installation costs. Transfer switches come in two configurations, manual and automatic, and both have their pros and cons. 1 installation and operating instructions manual transfer switch models 6294 6408 and 6376 warning. With your eaton generator and eaton automatic transfer switch application.

A wiring diagram is a streamlined conventional photographic depiction of an electrical circuit.

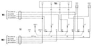
1 installation and operating instructions manual transfer switch models 6294 6408 and 6376 warning. I chose ez switch since it was relatively easy to install, designed to switch the neutral there are 2 white wire utilized. Generac transfer switches should be installed by a professional electrician familiar with electrical wiring and codes. In fig 2, different connection and wiring diagrams are shown for a two pole, single phase manual changeover switch. Connection through the power or control wiring. To test the wiring connections, flip the switches on the transfer. A transfer switch (ats) is an electrical switch that switches a load between two sources. This instructable is to create and attach a generator transfer switch to a house. A manual transfer switch is installed next to the main service panel to override the normal electrical service with backup generators supply power to a manual transfer switch, which disconnects the house from the main service you are correct that the diagrams shown are inconsistent, and should. Follow these steps for how to install a transfer switch. It's an atuomatic switch installed at the meter base, and comes with the cord to plug to your generator. Transfer switches come in two configurations, manual and automatic, and both have their pros and cons. Suitable for residential and light commercial applications, they are a simple way to provide owners with a high level of safety and.

And if so, why is there no stop wires/terminal to switch off generator manually the way there is start wire in the diagram? I installed her a manual. Does anyone have or know where i can get a wiring diagram for tieing in a standby generator into a house circuit? Manual changeover switch wiring diagram for portable generator or how to connect a generator to house wiring with changeover transfer switch. With your eaton generator and eaton automatic transfer switch application.

Asco Series 300 Transfer Switches Hardy Diesel
Asco Series 300 Transfer Switches Hardy Diesel from www.hardydiesel.com
Verify that all connections are consistent with. It shows the elements of the circuit as streamlined shapes, and the power as well as signal connections between the gadgets. Connection through the power or control wiring. Related searches for generator automatic transfer switch wiring diagram: In fig 2, different connection and wiring diagrams are shown for a two pole, single phase manual changeover switch. Wiring a switched outlet wiring diagram. Transfer switches connect the generator to the transfer switch using a gen cord. Connect the utility source to the lugs on the normal source disconnect circuit breakers as shown in the service entrance switch wiring diagram in section 6.

How to wire automatic & manual changeover & transfer switch?

Transfer switches come in two configurations, manual and automatic, and both have their pros and cons. The ats, which is a switchgear control system, provides a functional system that provides. The whole point of this is safety and lazy. Connection through the power or control wiring. The upper portion of the changeover switch is directly connected to the main power supply. I installed her a manual. To test the wiring connections, flip the switches on the transfer. Kohler generator residential transfer switch operations and installation manual model rxt. According to the wiring diagram (see figure 1). Manual changeover switch wiring diagram for portable generator or how to connect a generator to house wiring with changeover transfer switch. Helping a friend so that she don't loose power for 3 days again. A transfer switch (ats) is an electrical switch that switches a load between two sources. A transfer switch is an electrical device that is installed next to your electrical panel in your home.

By