Led Light Wiring Diagram / Diagram Auto Led Indicator Light Wiring Diagram Full Version Hd Quality Wiring Diagram Diagrammarh Anticheopinioni It / A wide variety of lights wiring diagram options are available to you, such as application, applicable industries, and certification.. Light cycles new york, new york, usa. In this post, we go over exactly what we bought, exactly how we connected everything, and we even have pictures and diagrams (yay)! Be sure to check with y. Electrical wiring led light bar wiring harness diagram in 88 diagrams electric light bar wiring. (usually its junk, but we'll get to that) t he light is just.

Tap led daytime running lamp to any existing 12v power source such as parking lights c) please take a look at these diagrams below and find the acc switched power location. 44 fresh jeep jk 3rd brake light wiring diagram. The complete circuit diagram is shown in the above image. You just need to wire up the leds in parallel, and connect them to the inductive charging receiver. Trailer light wiring diagram hid headlight relay 769x590 in guard position before the led light stimulus dimension.

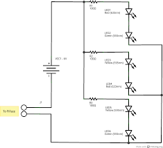
Diagram To Led Light Wiring Diagram Sensors Full Version Hd Quality Diagram Sensors Diagramsayz Tarantelluccia It
Diagram To Led Light Wiring Diagram Sensors Full Version Hd Quality Diagram Sensors Diagramsayz Tarantelluccia It from i00.i.aliimg.com
How to wire up led lights with a battery basic wiring you must use a resister to lower the power and must send the current in a circle. They are cheap to produce, consume significantly less power than other breadboard and hook up wires. A wide variety of lights wiring diagram options are available to you, such as application, applicable industries, and certification. To connect the electric system of your trailer to the vehicle, you will be using special connector. (usually its junk, but we'll get to that) t he light is just. Electrical wiring led light bar wiring harness diagram in 88 diagrams electric light bar wiring. D) all you have to do is to tap the led light positive to #86. Also, we have interactive solar wiring diagrams that are a complete, a to z solution for teaching you exactly what parts go where, what size wires to use, fuse size recommendations, wire lug sizes, and all kind this simply allows the led light on the switch to function depending on if the switch is on or off.

44 fresh jeep jk 3rd brake light wiring diagram.

A wide variety of lights wiring diagram options are available to you, such as application, applicable industries, and certification. If you're using a wireless led controller, then you will also need an led receiver to. In my example above, the 2 white wires are the leads series is the easiest way to provide a specific current to your lights. I'm including this method for reference in case you find it used in your house wiring but would not recommend this approach in a domestic environment. This post is an attempt to make such a resource. Confused about wiring the electrical system in your van build? It's a trailer wiring converter that uses an input signal from your factory lights, then connects directly to 12v power and has an output for park, stop and turn. Type of wiring diagram wiring diagram vs schematic diagram how to read a wiring diagram a wiring diagram is a visual representation of components and wires related to an electrical for example, the proper location of light fixtures and electrical outlets can be easily by a home builder to. How to wire up led lights with a battery basic wiring you must use a resister to lower the power and must send the current in a circle. The functionality of led is as same as normal diode but it emits light when current passes through it. It also completely eliminates the. Led drivers have so many different types and variations that it can seem a little overwhelming at times. Cree led light bar led light bars electrical diagram electrical wiring honda civic car off road led lights motorcycle lights truck mods polaris ranger.

You just need to wire up the leds in parallel, and connect them to the inductive charging receiver. They are cheap to produce, consume significantly less power than other breadboard and hook up wires. Component light emitting diodes / led bulbs of various sizes, shapes, colors, and brightness from many brands, including cree, luxeon, nichia & more. In this post, we go over exactly what we bought, exactly how we connected everything, and we even have pictures and diagrams (yay)! Switches, wire size and all connectors necessary.

Diagram Astra H Rear Light Wiring Diagram Full Version Hd Quality Wiring Diagram Wiringrewiringl Wecsrl It
Diagram Astra H Rear Light Wiring Diagram Full Version Hd Quality Wiring Diagram Wiringrewiringl Wecsrl It from www.untpikapps.com
They are cheap to produce, consume significantly less power than other breadboard and hook up wires. Switches, wire size and all connectors necessary. How to wire and buy price fig 4: Electrical wiring led light bar wiring harness diagram in 88 diagrams electric light bar wiring. It's a trailer wiring converter that uses an input signal from your factory lights, then connects directly to 12v power and has an output for park, stop and turn. Led (light emitting diode) is a two terminal semiconductor device. Strobe light circuit diagram and explanation: Also, we have interactive solar wiring diagrams that are a complete, a to z solution for teaching you exactly what parts go where, what size wires to use, fuse size recommendations, wire lug sizes, and all kind this simply allows the led light on the switch to function depending on if the switch is on or off.

Be sure to check with y.

To connect the electric system of your trailer to the vehicle, you will be using special connector. Below you'll find a basic on/off rocker switch wiring diagram as well as an easy to understand illuminated rocker switch wiring diagram so no matter what your needs, after reading this, you'll want to put switches on all your leds by yourself. You can really dial it in compared to parallel. The rise of led lighting has been stratospheric, and it's easy to see why. D) all you have to do is to tap the led light positive to #86. It is used in most of the electronic circuits as a sign or visual representation to the normal human to know that circuit is working properly. Also, we have interactive solar wiring diagrams that are a complete, a to z solution for teaching you exactly what parts go where, what size wires to use, fuse size recommendations, wire lug sizes, and all kind this simply allows the led light on the switch to function depending on if the switch is on or off. Power led's are now around $3, so this is a very inexpensive project with many uses, and you can easily change it to use more led's, batteries, etc. Trailer light wiring diagram hid headlight relay 769x590 in guard position before the led light stimulus dimension. Take a look at our full wiring diagram that includes all parts of the lighting system: Recon led tailgate light bar install guides. Before we do the actual installation, i want you to see a diagram of all the parts unconnected (exploded) so you get a visual image of the overall project Nolan web development is coming soon.

D) all you have to do is to tap the led light positive to #86. Step by step guide to wiring 12v led light strips or recessed lighting in your campervan. You can use the 5v or 3.3v inductive charging set, depending on your led voltages. The rise of led lighting has been stratospheric, and it's easy to see why. It also completely eliminates the.

Diagram Svt 3 Interior Led Light Bar Wiring Diagram Full Version Hd Quality Wiring Diagram Diagramuhligy Ecoldo It
Diagram Svt 3 Interior Led Light Bar Wiring Diagram Full Version Hd Quality Wiring Diagram Diagramuhligy Ecoldo It from www.researchcore.org
Led (light emitting diode) is a two terminal semiconductor device. In this post, we go over exactly what we bought, exactly how we connected everything, and we even have pictures and diagrams (yay)! You can use the 5v or 3.3v inductive charging set, depending on your led voltages. How to wire up led lights with a battery basic wiring you must use a resister to lower the power and must send the current in a circle. 3 way light switch using a two wire control. Light cycles new york, new york, usa. Videos on how to solder and instructions to get your lights turned on quickly. How to wire and buy price fig 4:

Light wiring diagram, three way switch, old cable colours.

With the led diagram above, the parking and brake lights on on different circuits. Confused about wiring the electrical system in your van build? Take the other led driver lead and wire it to the corresponding input on the last cob in the chain. Below you'll find a basic on/off rocker switch wiring diagram as well as an easy to understand illuminated rocker switch wiring diagram so no matter what your needs, after reading this, you'll want to put switches on all your leds by yourself. Component light emitting diodes / led bulbs of various sizes, shapes, colors, and brightness from many brands, including cree, luxeon, nichia & more. You just need to wire up the leds in parallel, and connect them to the inductive charging receiver. Step by step guide to wiring 12v led light strips or recessed lighting in your campervan. Getting started how to wire 12v led lights in a car diagram showing the design and basic operation of car led light strips. Switches, wire size and all connectors necessary. D) all you have to do is to tap the led light positive to #86. Here i'm building a simple light with no heatsink at all. Before we do the actual installation, i want you to see a diagram of all the parts unconnected (exploded) so you get a visual image of the overall project Tap led daytime running lamp to any existing 12v power source such as parking lights c) please take a look at these diagrams below and find the acc switched power location.

By